產品動態
- 群創12.1寸 G121ICE-LM2 對比度1000:1 常
- G270QAN01.4 友達27寸 400 cd/m2 分辨率2
- G190ETT01.1 友達19寸 分辨率1280*1024
- 18.5寸G185HAT01.1 友達 對比度1000:1 分
- 友達G101EAT02.6 10.1寸 分辨率1280*800
- G156HAN02.303 友達15.6寸 對比度1000:1
- G057QAN01.1 友達5.7寸 常黑顯示 1000:1
- G238HAN04.0 友達23.8寸 常黑顯示 分辨
- 友達8.4寸 G084SAN01.0 常黑顯示 分辨
- G057QAN01.0 友達 5.7寸 500 cd/m2 常黑
全國統一服務熱線:
15382323032
客服QQ:3234659108
手機:15382323032
地址:浙江省杭州市余杭區五常街道西溪軟件園金牛座B2座4層4118-4119
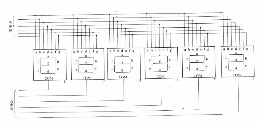
TN液晶顯示屏的動態驅動方法
動態驅動法不僅僅只是廣泛的應用在STN無源矩陣的液晶顯示屏之中,而且一般在筆段式的TN液晶顯示屏(液晶數碼管)上的應用也是十分的普及。對于1到2個筆段式的數碼管,由于筆段比較少,可以采用靜態的驅動方法。但是,如果我們采用了多個筆段式的數碼管,由于筆段的像素比較多,是不可能在每一個像素上面都設置單獨的外引線的,此時可以采用動態的驅動法來進行驅動。
例如:對于6個筆段式LCD的數碼管(如下圖),可以將六個筆段式的數碼管背電極單獨的引出,來作為行電極,將它前電極的對應位都連接在一起(即:六個筆段式的六個a都接在一起,六個b都接在一起……六個都g接在一起,一共有七段),再分別的將其引出,作為一個列電極。這樣一來,總共的電極引線數量為6+7=13根。工作的時候,各背的電極(行電極)上面電壓順序地接通,這稱之為掃描。例如:第4個數碼管的背電極被“接通”,同時對第4個數碼各筆段的(列電極)輸入顯示電壓或著不顯示電壓,雖然這些電壓也會同時的施加在其他數碼管的各個筆段之上,但是由于這些數碼管上的背電極都未被“接通”,所以是不起作用的。如此一來,背電極輪流的“接通”,其上面的筆段也相應地被顯示,這樣,六個數碼管之中的每一個被顯示的時間就只有1/6;如果對于背電極掃描的速度很快(每秒輪流在50次以上),由于人眼“視覺暫留”的一個特性,是感覺不到LCD顯示器的輕微閃動,所看到的也就是連續顯示的六個數字而已。
TN液晶顯示屏動態驅動:
最新資訊
- 2026-02-10 15.6寸LCD工業液晶屏1000高亮度屏功
- 2026-02-06 LCD10.1寸工業液晶屏常見問題:分
- 2026-02-05 精顯科技2026年春節假期安排通知
- 2026-02-05 8寸工控LCD液晶屏尺寸一樣但孔位
- 2026-02-04 TFT-LCD工業液晶屏型號后綴怎么看
- 2026-02-03 京瓷TCG057VGLGC-G50-S帶觸摸一體液晶
- 2026-02-02 LCD液晶屏觸摸屏蓋板玻璃如何選?
- 2026-01-30 LCD工業液晶屏G104系列怎么選?G104S
- 2026-01-29 LCD工業液晶屏顯示器花屏/閃屏/白
- 2026-01-28 15.6寸LCD工業液晶屏:常見接口是eD








